Search by Model Number

Search by Part Number

Model and Serial Numbers

Click here for guide

MTD017672

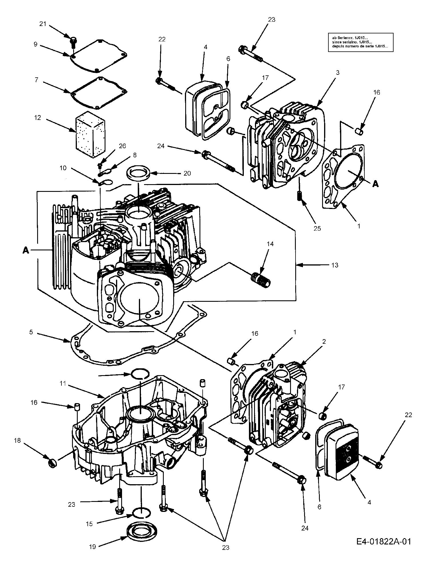
Assembly drawing

Please use your mouse to zoom in and out for more detailed view

MTD017672