Search by Model Number

Search by Part Number

Model and Serial Numbers

Click here for guide

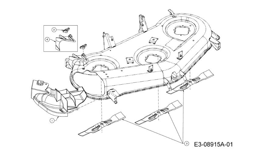
MULCH KITS

Assembly drawing

Please use your mouse to zoom in and out for more detailed view

MULCH KITS

Parts list

Match the number with the image on the left and click "Add" button to add the item to your basket

Please note, that the prices are for individual items

Items might appear more than once on the drawing, please check and adjust the quantity you require.

Ref No Description Price
001 631-05178 MULCH PLUG £53.20 Add
002 720-04122 WING KNOB £11.09 Add
004 731-10133 CHUTE ADAPTOR £24.37 Add