Search by Model Number

Search by Part Number

Model and Serial Numbers

Click here for guide

FG011_0100

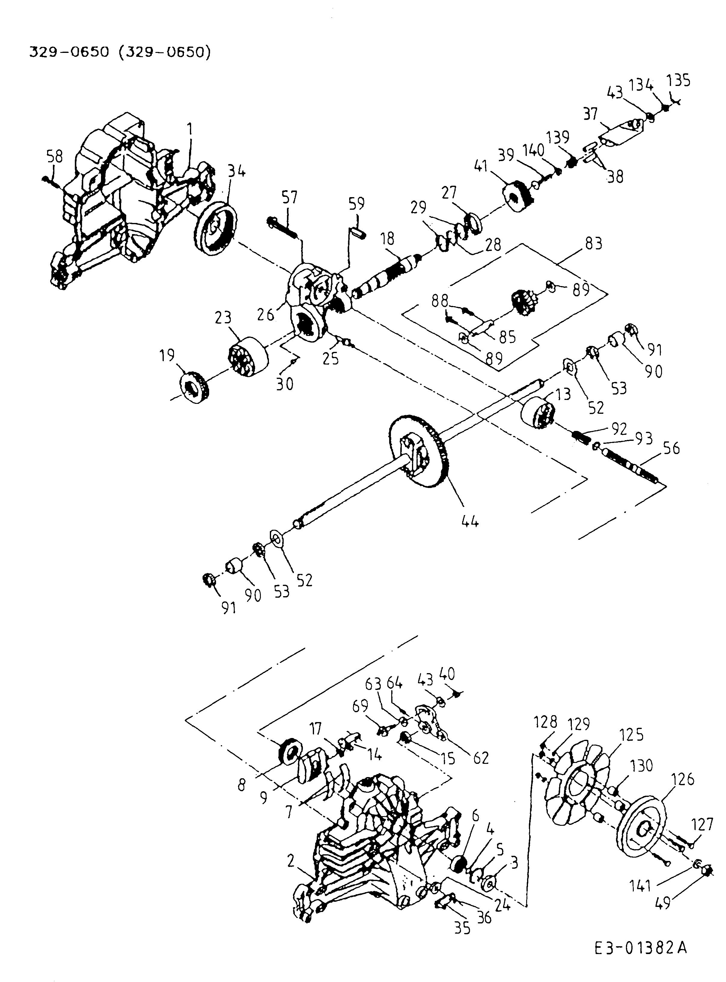
Assembly drawing

Please use your mouse to zoom in and out for more detailed view

FG011_0100

Parts list

Match the number with the image on the left and click "Add" button to add the item to your basket

Please note, that the prices are for individual items

Items might appear more than once on the drawing, please check and adjust the quantity you require.

Ref No Description Price
001 50074RM HOUSING, LOWER N/A POA
002 70255 UPPER HOUSING, ASSY. N/A POA
003 9008000-0128 (OBSOLETE) N/A
004 2003016 RING, WIRE RETAINING N/A POA
005 2003052 RING RETAINING N/A POA
006 2003043 BEARING N/A POA
007 2003023 CRADLE BEARING N/A POA
008 50551 BEARING, 30X52X13 THRUST £68.32 Add
009 2003087 SWASHPLATE -VARIABLE N/A POA
013 70079 BLOCK-CYLINDER ASSY. N/A POA
014 2003005 ARM -TRUNNION N/A POA
015 9008000-0126 Gasket (OBSOLETE) N/A
017 2000015 GUIDE -SLOT N/A POA
018 50449 SHAFT -MOTOR N/A POA
019 50552 THRUST BEARING 42X68X16 N/A POA
023 70082 BLOCK-CYLINDER (MOTOR) ASSY. N/A POA
024 45074 SEAL -LIP 10X25X7 N/A POA
025 2003555 ACTUATOR-BYPASS N/A POA
026 70250 CENTER SECTION ASSY. N/A POA
027 45075 SEAL -LIP 26X42X8 N/A POA
028 50007 SCREW £1.50 Add
029 44872 WASHER 26X35X1 N/A POA
030 2003554 BYPASS PLATE N/A POA
034 44964-AF STRAP:LIFT HANDLE SUPPORT 44964 £19.44 Add
035 50270 ARM -BYPASS N/A POA
036 44870 RING -RETAINING N/A POA
037 23710 ARM -ACTUATING N/A POA
038 44891 PIN -ACTUATING N/A POA
039 50316 BOLT 5/16-18 X 1-3/4 N/A POA
040 50317- CIRCLIP £2.16 Add
041 70135 TUBE HANDLE ASSY. N/A POA
043 44130 FLAT - WASHER 11/32 I. D. X 7/8 O. D £3.20 Add
044 70226 DIFFERENTIAL ASSY. £2.39 Add
049 712-0333 NUT:HEX:1/2-20:GR2 £3.20 Add
052 44875 WASHER, 3/4 ID X 1-1/2 OD X .13 THK £8.58 Add
053 HG-45076P SEAL £16.75 Add
056 50005 SHAFT -INPUT N/A POA
057 50016 SCREW £18.80 Add
058 44876 BOLT 1/4-20 X 1.38 N/A POA
059 50002- SCREW £1.51 Add
062 45007 ARM -CONTROL N/A POA
063 50281 PUCK -DUMPENER N/A POA
064 50018 SET SCREW N/A POA
069 50426 STUD 5/16-24 N/A POA
083 70292 JACK SHAFT / PINION GEAR ASSY. N/A POA
085 50559 JACK SHAFT N/A POA
088 HG-50154 CAPSCREW £5.80 Add
089 50132 WASHER, HT .5 I. D. X 1 O.D. X .032 £2.61 Add
090 50118 NUT £3.05 Add
091 50119 NUT £2.76 Add
092 2003014 SPRING - HELICAL, COMPRESSION N/A POA
093 2003017 WASHER N/A POA
125 WI-E4186 FAN £86.89 Add
126 HG-50302 NO LONGER AVAILABLE N/A POA
127 HG-44276 BOLT (RED) £10.69 Add
128 HG-43178 NUT (RED) £10.69 Add
129 43177-AF Washer, Lock 1/4" I.D.* 43177 £3.08 Add
130 HG-50259 SPACER (RED) £7.41 Add
134 44142 SLOTTED HEX NUT 5/16-24 £3.90 Add
135 44101-AF Cotter Pin 3/32" x 3/4" Lg.* 44101 £3.91 Add
139 50431 COMPRESSION SPRING N/A POA
140 50269 NUT, HEX. 5/16-18 N/A POA
141 736-0921 WASHER:LOCK:1/2:REGULAR DUTY £2.98 Add